Arduino Uno Schematic / Arduino Uno Schematic Reference Design / The above diagram shows how to connect the l298 ic to control two motors.

Arduino Uno Schematic / Arduino Uno Schematic Reference Design / The above diagram shows how to connect the l298 ic to control two motors.. The board is equipped with sets of digital and analog input/output (i/o) pins that may be interfaced to various expansion boards (shields) and other circuits. September 17, 2011 at 4:52 am hello there jeremy! Start from the basic concepts related to the working of general microprocessors and work upto coding the 8085 and 8086. Found 5796 projects which are related to arduino+uno+schematics arduino uno. I need the software to draw arduino circuit (schematic ) i need it for arduino mega i want to draw something like image on attachment 🙂 thanks.

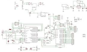
Arduino disclaims all other warranties, express or implied, arduino may make changes to specifications and product descriptions at any time, without notice. We've identified each subsystem and noted the type, value and purpose of every single component in the uno r3 design. In the electrical sector, a schematic diagram is usually used to describe the design or model of equipment. Arduino uno reference design usb boot en tm reference designs are provided as is and with all faults. It is important to understand that the arduino board includes a microcontroller, and this microcontroller is what executes the instructions in your program.

Arduino Uno R3 Schematic
Arduino Uno R3 Schematic from electronoobs.com
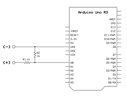
These pins are connected to the analog header on the arduino board. I need the software to draw arduino circuit (schematic ) i need it for arduino mega i want to draw something like image on attachment 🙂 thanks. Arduino uno pinout and pin diagram. Here the arduino uno schematic diagram (click to enlarge): Arduino disclaims all other warranties, express or implied, arduino may make changes to specifications and product descriptions at any time, without notice. If this is your first experience tinkering with the platform, the uno is the most robust board you can start playing with. At first you use mainly the pins in the female headers at But the recommended current is 20 ma.

The arduino uno is really a microcontroller board based on the atmega328.

Crossroads august 19, 2014, 8:33pm #4. Found 5796 projects which are related to arduino+uno+schematics arduino uno. It's important to note that: April 18, 2021, 2:17pm #1. View, edit, and convert your schematic files for free, then share and embed them on the web. Now place this arduino uno board in your proteus workspace and it will look as shown in below figure: Every component has been loaded into a nice, clean schematic (using an opensource eda tool as well, i might add), and in this post, will now be published. I could have used the typical blue color of arduino uno but i thought to use this color instead of dark blue to give it a new touch :) btw its the color of arduino software. The above diagram shows how to connect the l298 ic to control two motors. Following is the schematic diagram of the dc motor interface to arduino uno board. At first you use mainly the pins in the female headers at The arduino uno is a microcontroller board based on the atmega328. This is our new arduino uno board designed in proteus.

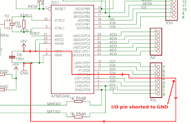
This arduino uno pinout diagram reference will hopefully help you get the most out of this board. Arduino disclaims all other warranties, express or implied, regarding products, include but not limited to any implied warranties of merchantability or fitness for a particular purpose arduino may make changes to specification and product. (adc5)pc5 28 (adc4)pc4 27 (adc3)pc3 26 (adc2)pc2 25 (adc1)pc1 24 (adc0)pc0) 23 (sck)pb5 19 (miso)pb4 18 (mosi)pb3 17 (ss)pb2 16 (oc1)pb1 15 (icp)pb0 14 (ain1)pd7 13 (ain0)pd6 Following is the schematic diagram of the dc motor interface to arduino uno board. It is important to understand that the arduino board includes a microcontroller, and this microcontroller is what executes the instructions in your program.

Understanding Arduino Uno Hardware Design Technical Articles
Understanding Arduino Uno Hardware Design Technical Articles from www.allaboutcircuits.com
September 17, 2011 at 4:52 am hello there jeremy! Here the arduino uno schematic diagram (click to enlarge): A000066 the uno is the best board to get started with electronics and coding. The board has 14 digital i/o pins (six capable of pwm output), 6 analog i/o pins, and is programmable. All of which are based on the series of avr microcontrollers. The official arduino uno r3 schematic this reference design are provided as is & with all faults. The board is equipped with sets of digital and analog input/output (i/o) pins that may be interfaced to various expansion boards (shields) and other circuits. Arduino uno reference design usb boot en tm reference designs are provided as is and with all faults.

Arduino uno reference design usb boot en tm reference designs are provided as is and with all faults.

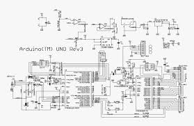
The lcd module is use liquid crystal to print visible text on display, mainly this display are used for diy project. The 12v adaptor is used for powering the circuit. Arduino uno r3 circuit diagram. Also included is the complete schematic diagram of the arduino uno revision 3. This schematic diagram come from circuit: Arduino uno pinout and pin diagram. All of which are based on the series of avr microcontrollers. In arduino from scratch part 13, we release the full arduino uno r3 schematic and bom, complete with all details, descriptions and part numbers. The arduino uno is arguably the most popular arduino board currently available. Now place this arduino uno board in your proteus workspace and it will look as shown in below figure: Has the uno rev 3 schematic. The arduino uno is really a microcontroller board based on the atmega328. Following is the schematic diagram of the dc motor interface to arduino uno board.

The official arduino uno r3 schematic. I could have used the typical blue color of arduino uno but i thought to use this color instead of dark blue to give it a new touch :) btw its the color of arduino software. View, edit, and convert your schematic files for free, then share and embed them on the web. It's important to note that: In the electrical sector, a schematic diagram is usually used to describe the design or model of equipment.

Eeprom Write Arduino
Eeprom Write Arduino from www.arduino.cc
The uno is the most used and documented board of the whole arduino These pins are connected to the analog header on the arduino board. September 17, 2011 at 4:52 am hello there jeremy! (also works with other animals). It is important to understand that the arduino board includes a microcontroller, and this microcontroller is what executes the instructions in your program. We've identified each subsystem and noted the type, value and purpose of every single component in the uno r3 design. To interface lcd to the arduino we need liquid crystal library. If you know this, you won't use the common nonsense phrase arduino is a.

First things first i want thank you for making this site!

The official arduino uno r3 schematic. These pins are connected to the analog header on the arduino board. It's important to note that: (adc5)pc5 28 (adc4)pc4 27 (adc3)pc3 26 (adc2)pc2 25 (adc1)pc1 24 (adc0)pc0) 23 (sck)pb5 19 (miso)pb4 18 (mosi)pb3 17 (ss)pb2 16 (oc1)pb1 15 (icp)pb0 14 (ain1)pd7 13 (ain0)pd6 It has 14 digital input/output pins (of which 6 may be employed as pwm outputs), 6 analog inputs, a 16 mhz crystal oscillator, a usb connection, a power jack, an icsp… read more » The uno is the most used and documented board of the whole arduino April 18, 2021, 2:17pm #1. Start from the basic concepts related to the working of general microprocessors and work upto coding the 8085 and 8086. I can only find schematics from the arduino uno smd and arduino uno rev2 atmega8 :~ maybe the pins of the atmega8 are the same as the atmega328p? The above diagram shows how to connect the l298 ic to control two motors. In arduino from scratch part 13, we release the full arduino uno r3 schematic and bom, complete with all details, descriptions and part numbers. But the recommended current is 20 ma. A free course on microprocessors.

The arduino platform consists of many development boards like arduino uno, arduino nano, arduino mega, arduino pro mini etc arduino uno. First things first i want thank you for making this site!

Comments